Wil je dat het braden in de Bertazzoni F6011PROVPTX-23 oven perfect verloopt? Of je nu vlees, gevogelte of vis bereidt, de kerntemperatuurmeter meet de temperatuur met hoge nauwkeurigheid. Zo heb je complete controle over het kookproces en heb je steeds weer perfecte resultaten.
Je plugt de kerntemperatuurmeter in het daarvoor bestemde element in de oven. Vervolgens gaat de thermometer in het gerecht dat je wilt bereiden. De oven geeft een signaal wanneer het gerecht de gewenste temperatuur heeft behaald.

Je wilt natuurlijk niet te lang bezig zijn het het schoonmaken van jouw oven. Daarom bestaan er ovens met een speciaal reinigingsprogramma namelijk pyrolyse. Bij dit programma wordt de oven verwarmt tot een temperatuur van 500 °C. Zo verbranden alle aanwezige etensresten in de oven. Het enige wat er dan nog achterblijft is een hoopje as. Haal vervolgens een doek over de bodem van de oven en je bent klaar!
Zonder je handen vies te maken of chemische schoonmaakmiddelen te gebruiken is jou oven van binnen weer als nieuw. Het pyrolyse programma duurt ongeveer 2 uur. Houd er rekening mee dat de ruimte goed geventileerd moet worden tijdens het schoonmaakprogramma.

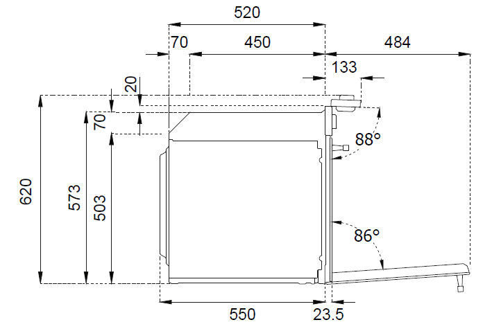
Als je op zoekt bent naar een nieuwe inbouw oven dan is het heel belangrijk om naar de nismaten te kijken. De nismaat is de inbouwmaat van de oven. Voor ovens geldt dat er twee standaard nishoogtes zijn namelijk 45 en 60 cm. De Bertazzoni F6011PROVPTX-23 is geschikt voor een nishoogte van 60 cm.
De meeste ovens hebben een nisbreedte van 56 cm. De buitenmaat van de oven is dan rond de 60 cm breed. Ook heeft de gekozen oven een standaard nismaat van 56 cm.

Bepaal zelf waar en wanneer je jouw nieuwe Bertazzoni F6011PROVPTX-23 oven bezorgd wilt hebben. Hiervoor selecteer je eenvoudig de datum die je het beste uitkomt. Nadat je hebt besteld ontvang je direct een bevestigingsmail. Heb je gekozen voor onze standaard bezorging? Dan bieden wij je op de dag van de levering de volgende service:
Koop je bij ons één of meerdere keukenapparaten? Dan heb je de mogelijkheid deze vakkundig in te laten bouwen. Het inbouwen zal worden uitgevoerd door gecertificeerde monteurs van installatiebedrijf AJ Tec. Deze “inbouwservice” kun je als extra optie aanvinken op de productpagina of nadat je het apparaat in het winkelmandje hebt geplaatst. Dit kun je verwachten als je voor onze inbouwservice kiest:
Wanneer wij jouw Bertazzoni oven komen bezorgen nemen wij indien gewenst direct je oude apparaat mee retour. Deze service is volledig gratis. Uiteraard zorgen wij voor een milieu-vriendelijke afhandeling van jouw oude oven. Wil je jouw oude apparaat laten afvoeren en recyclen, en heb je niet gekozen voor onze “inbouwservice”?
Zorg er dan voor dat het apparaat zich in de directe omgeving van de eerste afsluitbare deur bevindt.
De door ons geleverde ovens worden geleverd met een garantieperiode van 2 jaar na aankoop. Ondanks dat de Bertazzoni F6011PROVPTX-23 voldoen aan de hoogste kwaliteitseisen zijn reparaties na deze periode niet altijd te voorkomen.
Om dit probleem het hoofd te bieden kun je de garantie van 2 jaar verlengen naar 5 jaar. Deze extra zekerheid voor slechts een klein bedrag is bovenaan deze pagina te selecteren.
Voor je de Bertazzoni F6011PROVPTX-23 koopt wil je natuurlijk zeker weten dat hij in je keuken past. Hiervoor moeten de breedte en hoogte van de oven binnen de nismaten vallen. Daarom is het belangrijk dat je de nishoogte en nisbreedte vooraf nauwkeurig opmeet. Om dit precies te meten haal je jouw huidige oven eerst uit de nis. Is dit niet mogelijk? Dan meet je het apparaat zelf op.
Ja, voor de Bertazzoni F6011PROVPTX-23 betaal je bij ons de laagste prijs. Wij leveren alle vrijstaande en inbouw apparaten van Bertazzoni en andere merken tegen de scherpste prijzen. Alle apparatuur in onze showrooms is voorzien van een elektronische prijslabel. Deze zijn gekoppeld aan onze webwinkel. Ook worden onze prijzen dagelijks vergeleken met de prijzen van de grootste online aanbieders. Is de prijs van deze Bertazzoni Combi-stoomoven elders goedkoper? Dan worden de prijs direct aan de actuele situatie aangepast. En omdat de elektronische prijslabels gekoppeld zijn gebeurt dit zowel in onze echte winkels als online in deze webshop. Zo betaal je bij Bemmel & Kroon voor deze Bertazzoni F6011PROVPTX-23 altijd de laagste prijs.
Ja hoor, wij kunnen de Bertazzoni F6011PROVPTX-23 voor je inbouwen. Hiervoor hoef je alleen de extra optie "Montage" aan te vinken. Dit doe je boven aan deze pagina of in je winkelwagen. Onze ervaren monteurs bouwen deze Bertazzoni Combi-stoomoven dan vakkundige voor je in. En indien nodig verwijderen zij eerst jouw oude oven. Hierna monteren ze hem netjes af en leveren ze hem werkend op. Het verpakkingsmateriaal nemen zij weer mee, en als je dat wilt nemen zij ook jouw oude apparaat gratis mee retour.
Natuurlijk ontvang je een handleiding als je deze F6011PROVPTX-23 inbouw oven bij ons koopt. Tonen wij op deze pagina fabrikant informatie? Dan is de handleiding van de Bertazzoni F6011PROVPTX-23 daar in veel gevallen nu al te downloden.
Je wilt weten wat anderen van de Bertazzoni F6011PROVPTX-23 vinden? Als wij reviews hebben over deze Combi-stoomoven van Bertazzoni staan ze op deze pagina. Deze zijn te benaderen via de gele reviewsterren onder de naam van deze inbouw oven. Aan de bovenkant van deze pagina zouden ze direct in het oog moeten springen.
De Bertazzoni F6011PROVPTX-23 is een pyrolyse oven. Dit is een zelfreinigende oven die vuil en vet op een hoge temperatuur verbrandt. Dankzij de pyrolytische functie heb je veel minder schoonmaakwerk. Door de hitte van pyrolyse veranderen etensresten in een laagje as. Nadat de Bertazzoni F6011PROVPTX-23 oven is afgekoeld hoef de as alleen nog maar op te vegen.